Prière de lire attentivement ce mode d'emploi pour se familiariser avec chaque commande et fonction. These controls are for tuning your system.
System diagrams, Mrvf450, Español français english Alpine MRVF540 EN User Manual Page 15 / 27
Alpine car radio stereo audio wiring diagram autoradio connector wire installation schematic schema esquema de conexiones stecker konektor connecteur cable shema car stereo harness wire speaker pinout connectors power how to install.
Alpine mrv f340 wiring diagram. The amps are built using alpine's star topology design to greatly reduce internal noise, keeping the signal clean. The manual has 20 pages; With each control and function.
Up to 1.728% cash back i forwarded your question to an advisor and they responded with the following: French, english, spanish different language versions may vary sligthly in file size and page count. Car radio wire diagram stereo wiring diagram gm radio wiring diagram.
I used the wiring diagram found on another person's post. Alpine type r 6*9 running of the f340 amp the front speakers are running off the 1 and 2 channel and the 6*9s are off 3 and 4 channel. These controls are for tuning your system.
The wiring and installation of this unit requires special technical skill and experience. The manual has 6 pages; Return it to your authorized alpine dealer or the nearest alpine service center for repairing.
Delivered as a pdf file. Incorrect connections may cause the unit to malfunction or damage to the vehicle's electrical system. The rest of your system should resemble this amplifier wiring diagram with your second battery essentially taking the place of the diagram s capacitor.
Alpine car radio wiring diagrams. This service manual contains complete information included in original factory repair manual we guarantee that our manual contains circuit diagrams.service manuals usually include printed circuit boards, block diagrams, exploded views, assembly instructions and parts catalog. Buck i have a alpine mrv f340 amp and 2 alpine type r 12 swr 1241d subs.
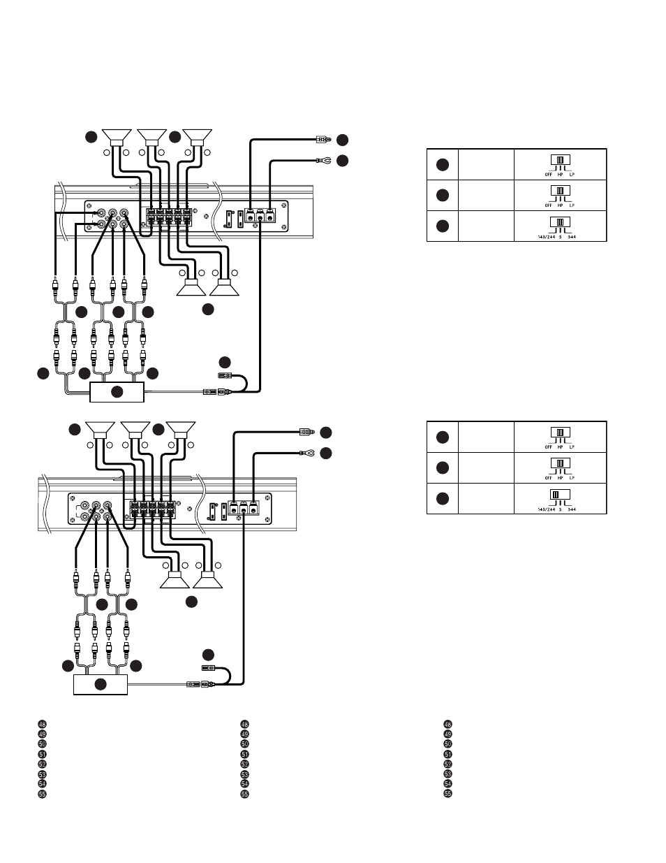
5/4/3 channel power amplifier 4/3/2 channel power amplifier. Please consult your authorized dealer for adjustment. 1500w x 1 (0.08% thd) * per channel into 2 ohms:
Pioneer stereo wiring diagram cars / trucks pioneer i looked at the installation manual and in it was a wiring diagram that showed the neutral of the […] These controls are for tuning your system. Delivered as a pdf file.
Portuguese, swedish, french, english, spanish, german, italian different language versions may vary sligthly in file size and page count. Please consult your authorized dealer for adjustment. • be sure to connect the color coded leads according to the diagram.
The unstoppable power of this alpine v12 series amp comes from the massive transformers and fast mosfet power supplies. The subs arent hooked up but theyre amps are and it will be ok at low volumes but if i turn it up it will go into protect then it will keep coming in and out of protect at. Engine starter the diehard model manual battery charger/engine starter, offers a wide.
Amp to head unit wiring diagram. If u use it at 2ohms then thats too much power for them however u can buy subs that wire up to a 4ohm load & have that amp put out 1500wrms at 4ohm. Before wiring, disconnect the cable from the negative battery terminal.
The unstoppable power of this alpine v12 series amp comes from the massive transformers and fast mosfet power supplies. If you would like to discuss further you can contact an advisor directly by. I have built the boxes to spec for these subs 2 boxes rather than 1.
Alpine 7901mef ( 7901m/e/f ) circuit diagrams alpine 7903m service manual alpine 7905me ( 7905m/e ) service manual alpine 7906r service manual. Failure to do so may result in electric shock or injury due to electrical shorts.
FS [MELB] Alpine 4 channel Amp and 2 10" type R subs. AstinaGT Forums

Alpine MRVF400 Schematic for repair Tradebit
ALPINE MRVF400S Service Manual Immediate Download

Alpine V12 MRVF540, V12 MRVF450, V12 MRVF340, MRVF450 User Manual

Alpine Power Amplifier MRVF340
Connections, Connexions, Conexiones Alpine MRVF540 EN User Manual Page 6 / 27
Alpine V12 4/3/2 Channel Power Amplifier MRVF340 93276300608 eBay
ALPINE MRVF300 Owner's Manual Immediate Download

[DIAGRAM] How To Hook Up A 4 Channel Amp To Front And Rear Speakers Wiring Diagram FULL Version

Alpine MRVF340 Car Amplifier Test YouTube
ALPINE MRVF300 Owner's Manual Immediate Download




